1. Mengetahui dan memahami D Flip-flop
2. Mengetahui prinsip kerja D flip-flop
3. Mengetahui bentuk rangkaian D flip-flop
1. Resistor
Konfigurasi Pin
1. Tegangan Suply: 7 V
2. Tegangan input: 5.5 V
3. Beroperasi pada suhu udara 0 sampai +70 derjat
4. Kisaran suhu penyimpanan: -65 derjat sampai 150 derjat celcius
Konfigurasi pin:
1. Vcc : Kaki 14
2. GND : Kaki 7
3. Input : Kaki 1 dan 2, 4 dan 5, 13 dan 12, 10 dan 9
4. Output : Kaki 3, 6, 1
Pin 1 : Terminal 1
Pin 2 : Terminal 2
Resistor adalah komponen elektronika pasif yang memiliki nilai resistansi atau hambatan tertentu yang berfungsi untuk membatasi dan mengatur arus listrik dalam suatu rangkaian elektronika. Satuan Resistor adalah Ohm (simbol: Ω) yang merupakan satuan SI untuk resistansi listrik. Resitor mempunyai nilai resistansi (tahanan) tertentu yang dapat memproduksi tegangan listrik di antara kedua pin dimana nilai tegangan terhadap resistansi tersebut berbanding lurus dengan arus yang mengalir, berdasarkan persamaan hukum Ohm (V = I.R ).
Cara menghitung nilai resistansi resistor dengan gelang warna:
a. Dengan kode warna resistor
1. Masukkan angka langsung dari kode warna gelang pertama.
2. Masukkan angka langsung dari kode warna gelang kedua.
3. Masukkan angka langsung dari kode warna gelang ketiga.
4. Masukkan jumlah nol dari kode warna gelang ke-4 atau pangkatkan angka tersebut dengan 10 (10^n), ini merupakan nilai toleransi dari resistor.
Resistor dengan 4 cincin kode warna
Maka cincin ke 1 dan ke 2 merupakan digit angka, dan cincin kode warna ke 3 merupakan faktor pengali kemudian cincin kode warnake 4 menunjukan nilai toleransi resistor.
Resistor dengan 5 cincin kode warna
Maka cincin ke 1, ke 2 dan ke 3 merupakan digit angka, dan cincin kode warna ke 4 merupakan faktor pengali kemudian cincin kode warna ke 5 menunjukan nilai toleransi resistor.
Resistor dengan 6 cincin kode warna
Resistor dengan 6 cicin warna pada prinsipnya sama dengan resistor dengan 5 cincin warna dalam menentukan nilai resistansinya. Cincin ke 6 menentukan coefisien temperatur yaitu temperatur maksimum yang diijinkan untuk resistor tersebut.
b. Dengan kode huruf resistor
Kode Huruf Untuk Nilai Resistansi :
· R, berarti x1 (Ohm)
· K, berarti x1000 (KOhm)
· M, berarti x 1000000 (MOhm)
Kode Huruf Untuk Nilai Toleransi :
· F, untuk toleransi 1%
· G, untuk toleransi 2%
· J, untuk toleransi 5%
· K, untuk toleransi 10%
· M, untuk toleransi 20%
- Rumus dari Rangkaian paralel Resistor: 1/Rtotal = 1/R1 + 1/R2 + 1/R3 + ….. + 1/Rn
- Rumus resistor dengan hukum ohm: R = V/I
Transistor merupakan alat semikonduktor yang dapat digunakan sebagai penguat sinyal, pemutus atau penyambung sinyal, stabilisasi tegangan, dan fungsi lainnya. Transistor memiliki 3 kaki elektroda, yaitu basis, kolektor, dan emitor. Pada rangkaian kali ini digunakan transistor 2N2222A bertipe NPN. Transistor ini diperumpamakan sebagai saklar, yaitu ketika kaki basis diberi arus, maka arus pada kolektor akan mengalir ke emiter yang disebut dengan kondisi ON. Sedangkan ketika kaki basis tidak diberi arus, maka tidak ada arus mengalir dari kolektor ke emitor yang disebut dengan kondisi OFF. Namun, jika arus yang diberikan pada kaki basis melebihi arus pada kaki kolektor atau arus pada kaki kolektor adalah nol (karena tegangan kaki kolektor sekitar 0,2 - 0,3 V), maka transistor akan mengalami cutoff (saklar tertutup).
Transistor adalah sebuah komponen di dalam elektronika yang diciptakan dari bahan-bahan semikonduktor dan memiliki tiga buah kaki. Masing-masing kaki disebut sebagai basis, kolektor, dan emitor.
1. Emitor (E) memiliki fungsi untuk menghasilkan elektron atau muatan negatif.
2. Kolektor (C) berperan sebagai saluran bagi muatan negatif untuk keluar dari dalam transistor.
3. Basis (B) berguna untuk mengatur arah gerak muatan negatif yang keluar dari transistor melalui kolektor.
Grafik Transitor
Karakteristik dari masing-masing daerah operasi transistor tersebut dapat diringkas sebagai berikut:
Daerah Potong (cutoff)
Dioda Emiter diberi prategangan mundur. Akibatnya, tidak terjadi pergerakan elektron, sehingga arus Basis, IB = 0. Demikian juga, arus Kolektor, IC = 0, atau disebut ICEO (Arus Kolektor ke Emiter dengan harga arus Basis adalah 0).
Daerah Saturasi
Dioda Emiter diberi prategangan maju. Dioda Kolektor juga diberi prategangan maju. Akibatnya, arus Kolektor, IC, akan mencapai harga maksimum, tanpa bergantung kepada arus Basis, IB, dan βdc. Hal ini, menyebabkan Transistor menjadi komponen yang tidak dapat dikendalikan. Untuk menghindari daerah ini, Dioda Kolektor harus diberi prateganan mundur, dengan tegangan melebihi VCE(sat), yaitu tegangan yang menyebabkan Dioda Kolektor saturasi.
Daerah Aktif
Dioda Emiter diberi prategangan maju. Dioda Kolektor diberi prategangan mundur. Terjadi sifat-sifat yang diinginkan, dimana:
atau
Gerbang NAND adalah gabungan gerbang NOT dan AND mempunyai dua atau lebih sinyal masukan (input) tetapi hanya satu sinyal keluaran (output). IC 7400 merupakan ic yang dibangun dari gerbang logika dasar NAND. Gerbang NAND menghendaki semua inputnya bernilai 0 (terhubung dengan ground) atau salah satunya bernilai 1 agar menghasilkan output yang berharga 1.
Gerbang NAND atau disebut juga "NAND GATE" adalah jenis gerbang logika kombinasi yang memiliki dua input (Masukan) dan satu output (keluaran). Pada dasarnya gerbang NAND merupakan pengembangan atau kombinasi dari gerbang AND dan gerbang NOT "NAND = NOT AND". Untuk lebih jelasnya perhatikan simbol dan gerbang kebenaran gerbang NAND berikut.
Pada gerbang logika NAND, simbol yang menandakan operasi gerbang logika NAND adalah tanda bar (-) diatas variabel, perhatikan gambar diatas.
Perhatikan tabel kebenaran gerbang NAND. Cara cepat untuk mengingat tabelnya adalah dengan mengingat pernyataan berikut. "Gerbang NAND akan menghasilkan output logika 0 bila semua inputnya memiliki logika 1" sedangkan " Gerbang NAND akan menghasilkan keluaran logika 1 bila salah satu input atau semua input memiliki logika 0".
Secara singkat, cukup mengingat gerbang logika AND, karena output dari gerbang logika NAND merupakan kebalikan dari output gerbang AND.
Transistor Gerbang NAND
Secara sederhana, gerbang logika NAND 2 input dapat dibangun menggunakan RTL Resistor-transistor Switch yang terhubung bersama degan input yang terhubung langsung ke basis transistor, dimana transistor harus dalam keadaan cut-off "MATI" untuk keluaran Q.
Gerbang logika NAND dapat menghasilkan fungsi logis yang diinginkan dengan simbol berupa gerbang AND standar dengan tambahan lingkaran (biasa juga disebut sebagai "Gelembung Inversi" pada bagian output yang mana mewakili gerbang NOT) yang disebut sebagai operasi logika NAND.
Jenis Gerbang Logika NAND
1. Gerbang logika NAND 2 Input
Berdasarkan gambar diatas ekspresi Boolean untuk gerbang NAND 4 input yaitu :
Q = A.B.C.D
Inverter atau pembalik(NOT) adalah suatu gerbang yang bertujuan untuk menghasilkan logika output kebalikan dari logika input Gerbang NOT merupakan gerbang di mana keluarannya akan selalu berlawanan dengan masukannya. Bila pada masukan diberikan tegangan ,maka transistor akan jenuh dan keluaran akan bertegangan nol. Sedangkan bila pada masukannya diberi tegangan tertentu, maka transistor akan cut off, sehingga keluaran akan bertegangan tidak nol.
Adapun simbol dan tabel kebenaran gerbang Inverter seperti berikut:
Status logika Pengertian logis, benar atau salah, dari sinyal biner yang diberikan. Sinyal biner adalah sinyal digital yang hanya memiliki dua nilai yang valid. Dalam istilah fisik, pengertian logis dari sinyal biner ditentukan oleh level tegangan atau nilai arus sinyal, dan ini pada gilirannya ditentukan oleh teknologi perangkat. Dalam sirkuit TTL, misalnya, keadaan sebenarnya diwakili oleh logika 1, kira-kira sama dengan +5 volt pada garis sinyal; logika 0 kira-kira 0 volt. Tingkat tegangan antara 0 dan +5 volt dianggap tidak ditentukan.
Gerbang Logika (Logic Gates) adalah sebuah entitas untuk melakukan pengolahan input-input yang berupa bilangan biner (hanya terdapat 2 kode bilangan biner yaitu, angka 1 dan 0) dengan menggunakan Teori Matematika Boolean sehingga dihasilkan sebuah sinyal output yang dapat digunakan untuk proses berikutnya.
LED merupakan keluarga dari Dioda yang terbuat dari Semikonduktor. Cara kerjanya pun hampir sama dengan Dioda yang memiliki dua kutub yaitu kutub Positif (P) dan Kutub Negatif (N). LED hanya akan memancarkan cahaya apabila dialiri tegangan maju (bias forward) dari Anoda menuju ke Katoda.
Ketika LED dialiri tegangan maju atau bias forward yaitu dari Anoda (P) menuju ke Katoda (K), Kelebihan Elektron pada N-Type material akan berpindah ke wilayah yang kelebihan Hole (lubang) yaitu wilayah yang bermuatan positif (P-Type material). Saat Elektron berjumpa dengan Hole akan melepaskan photon dan memancarkan cahaya monokromatik (satu warna).
Tegangan Maju LED
Motor Listrik DC atau DC Motor adalah suatu perangkat yang mengubah energi listrik menjadi energi kinetik atau gerakan (motion). Motor DC ini juga dapat disebut sebagai Motor Arus Searah. Seperti namanya, DC Motor memiliki dua terminal dan memerlukan tegangan arus searah atau DC (Direct Current) untuk dapat menggerakannya. Motor Listrik DC ini biasanya digunakan pada perangkat-perangkat Elektronik dan listrik yang menggunakan sumber listrik DC seperti Vibrator Ponsel, Kipas DC dan Bor Listrik DC.
Prinsip Kerja Motor DC
Terdapat dua bagian utama pada sebuah Motor Listrik DC, yaitu Stator dan Rotor. Stator adalah bagian motor yang tidak berputar, bagian yang statis ini terdiri dari rangka dan kumparan medan. Sedangkan Rotor adalah bagian yang berputar, bagian Rotor ini terdiri dari kumparan Jangkar. Dua bagian utama ini dapat dibagi lagi menjadi beberapa komponen penting yaitu diantaranya adalah Yoke (kerangka magnet), Poles (kutub motor), Field winding (kumparan medan magnet), Armature Winding (Kumparan Jangkar), Commutator (Komutator) dan Brushes (kuas/sikat arang).
Pada prinsipnya motor listrik DC menggunakan fenomena elektromagnet untuk bergerak, ketika arus listrik diberikan ke kumparan, permukaan kumparan yang bersifat utara akan bergerak menghadap ke magnet yang berkutub selatan dan kumparan yang bersifat selatan akan bergerak menghadap ke utara magnet. Saat ini, karena kutub utara kumparan bertemu dengan kutub selatan magnet ataupun kutub selatan kumparan bertemu dengan kutub utara magnet maka akan terjadi saling tarik menarik yang menyebabkan pergerakan kumparan berhenti.
Untuk menggerakannya lagi, tepat pada saat kutub kumparan berhadapan dengan kutub magnet, arah arus pada kumparan dibalik. Dengan demikian, kutub utara kumparan akan berubah menjadi kutub selatan dan kutub selatannya akan berubah menjadi kutub utara. Pada saat perubahan kutub tersebut terjadi, kutub selatan kumparan akan berhadap dengan kutub selatan magnet dan kutub utara kumparan akan berhadapan dengan kutub utara magnet. Karena kutubnya sama, maka akan terjadi tolak menolak sehingga kumparan bergerak memutar hingga utara kumparan berhadapan dengan selatan magnet dan selatan kumparan berhadapan dengan utara magnet. Pada saat ini, arus yang mengalir ke kumparan dibalik lagi dan kumparan akan berputar lagi karena adanya perubahan kutub. Siklus ini akan berulang-ulang hingga arus listrik pada kumparan diputuskan.
Relay adalah Saklar (Switch) yang dioperasikan secara listrik dan merupakan komponen Electromechanical (Elektromekanikal) yang terdiri dari 2 bagian utama yakni Elektromagnet (Coil) dan Mekanikal (seperangkat Kontak Saklar/Switch). Relay menggunakan Prinsip Elektromagnetik untuk menggerakkan Kontak Saklar sehingga dengan arus listrik yang kecil (low power) dapat menghantarkan listrik yang bertegangan lebih tinggi.
Terdapat besi atau yang disebut dengan nama iron core dililit oleh sebuah kumparan yang berfungsi sebagai pengendali. Sehingga ketika kumparan coil diberikan arus listrik maka akan menghasilkan gaya elektromagnet. Gaya tersebut selanjutnya akan menarik armature untuk pindah posisi dari normally close ke normally open. Dengan demikian saklar menjadi pada posisi baru normally open yang dapat menghantarkan arus listrik. Ketika armature sudah tidak dialiri arus listrik lagi maka ia akan kembali pada posisi awal, yaitu normally close.
Fitur:
1. Tegangan pemicu (tegangan kumparan) 5V
2. Arus pemicu 70mA
3. Maksimum beban AC 10A @ 250/125V
4. Maksimum baban DC 10A @ 30/28V
5. Switching maksimum 300 operasi/menit
D flip-flop, juga disebut delay flip-flop, dapat digunakan untuk menyediakan
penyimpanan sementara dari satu bit informasi.
Gambar
10.39 (a) menunjukkan simbol rangkaian dan tabel fungsi dari D flip-flop yang
dipicu tepi negatif. Ketika jam aktif, bit data (0 atau 1) yang ada di input D
ditransfer ke output. Dalam D flip-flop Gambar 10.39, transfer data dari input
D ke output Q terjadi pada transisi arus negatif (HIGH-to-LOW) dari input
clock. Input D dapat memperoleh status baru saat jam tidak aktif, yang
merupakan periode waktu antara transisi TINGGI ke RENDAH. D flip-flop dapat
memberikan penundaan maksimum selama satu periode clock.
Tabel
karakteristik dan peta Karnaugh yang sesuai untuk flip-flop D pada Gambar 10.39
(a) masing-masing ditunjukkan pada Gambar 10.39 (c) dan (d). Persamaan
karakteristiknya adalah sebagai berikut:
10.7.1
J-K Flip-Flop as D Flip-Flop
Gambar
10.40 menunjukkan bagaimana J-K flip-flop dapat digunakan sebagai D flip-flop. Ketika
input D adalah logika '1', input J dan K masing-masing adalah logika '1' dan
'0'. Menurut tabel fungsi J-K flip-flop, di bawah kondisi input ini, output Q
akan masuk ke status logika '1' saat clock. Juga, ketika input D adalah logika
'0', input J dan K masing-masing adalah logika '0' dan '1'. Sekali lagi,
menurut tabel fungsi J-K flip-flop, di bawah kondisi input ini, output Q akan
masuk ke status logika '0' saat clock. Jadi, dalam kedua kasus, input D
diteruskan ke output saat flip-flop diberi waktu.
10.7.2
D Latch
Dalam
kait D, output Q mengikuti input D selama input clock (juga disebut input
ENABLE) TINGGI atau RENDAH, tergantung pada level clock yang diresponsnya. Ketika
input ENABLE masuk ke level tidak aktif, output akan mempertahankan status
logika sebelum input ENABLE menjadi tidak aktif selama seluruh periode waktu
input ENABLE tidak aktif.
Flip-flop
D tidak sama dengan kait D. Dalam D flip-flop, data pada input D ditransfer ke
output Q pada transisi positif atau negatif dari sinyal clock, tergantung pada
flip-flop, dan status logika ini ditahan pada output sampai kami mendapatkan
transisi jam efektif berikutnya. Perbedaan antara keduanya diilustrasikan lebih
lanjut pada Gambar 10.41 (a) dan (b) yang menggambarkan fungsi kait D dan
flip-flop D.
1. Buka aplikasi Proteus
2. Siapkan alat dan bahan yang diperlukan untuk membuat rangkaian
3. Disarankan agar membaca datasheet tiap komponen terlebih dahulu
4. Pasang Logicstate, Switch, Push Button, Gerbang logika NAND, Gerbang logika NOT, resistor, transistor NPN, relay, led, motor, ground, voltmeter DC, dan power supply seperti beberapa rangkaian dibawah
5. Atur logicstate, switch, button, dan nilai resistor
6. Coba dijalankan rangkaian apabila ouput hidup (led dan motor), maka rangkaian bisa digunakan.
Prinsip
kerja dari rangkaian Data flip-flop dengan clock diatas adalah sebagai berikut.
Apabila input clock berlogika 1 “High” maka input pada jalur data akan di
teruskan ke rangkaian RS flip flop, dimana pada saat input jalur Data 1 “High”
maka kondisi tersebut adalah Set Q menjadi 1 “High” dan pada saat jalur Data
diberikan input 0 “Low” maka kondisi yang terjadi adala Reset Q menjadi 0
“Low”. Kemudian Pada saat input Clock berlogika rendah maka data output pada
jalur Q akan ditahan (memori 1 bit) walaupun logika pada jalur input Data
berubah. Kondisi inilah yang disebut sebagai dasar dari memor 1 bit. Untuk
lebih jelasnya dapat dilihat pada tabel Data flip-flop berikut. Tabel Kebenaran
Data Flip-Flop Clock/Enable D Q Q Keterangan 1 0 0 1 Reset Q ke 0 1 1 1 0 Set Q
ke 1 0 0 1 0 Menahan kondisi Q terakhir 0 1 1 0 Menahan kondisi Q terakhir Dari
tabel kebenaran diatas terlihat bahwa Data flip-flop merupakan dasar dari
pembuatan memori digital 1 bit. Data Flip-flop sering juga disebut sebagai
D-latch.
1. Gambar
10.42 menunjukkan diagram rangkaian logika internal salah satu dari empat kait
D dari kait D empat-bit di IC 7475. (a) Berikan argumen untuk membuktikan bahwa
output Q akan melacak input D hanya ketika input ENABLE TINGGI . (b) Juga,
buktikan bahwa output Q memiliki nilai sebelum input ENABLE menjadi RENDAH
selama input ENABLE LOW.
(a)
Jika input ENABLE adalah HIGH, gerbang AND atas diaktifkan sementara gerbang
AND bagian bawah dinonaktifkan. Output dari gerbang AND atas dan bawah adalah D
dan logika '0' masing-masing. Mereka merupakan masukan dari gerbang NOR yang
keluarannya adalah D. Oleh karena itu, keluaran Q adalah D.
(b)
Ketika input ENABLE menjadi RENDAH, gerbang AND atas dinonaktifkan (dengan
outputnya menuju logika '0') dan gerbang AND yang lebih rendah diaktifkan
(dengan outputnya menjadi sama dengan output Q karena umpan balik) . Output
gerbang NOR dalam hal ini adalah Q, yang berarti bahwa output Q mempertahankan
statusnya selama input ENABLE adalah RENDAH.
2.
Tentukanlah rangkaian yang membuat JK flipflop berfungsi sebagai D flipflop!
Jawab:
Flipflop
D dengan JK flipflop
1. Mengapa masukan J dan K flip-flop
disebut sebagai masukan pengendali!
Jawab:
Masukan
J dan K disebut masukan pengendali karena kedua masukan ini yang menentukan
keadaan yang harus dipilih oleh FF pada saat pulsa clock tiba (dapat pinggiran
positif atau negatif tergantung pada jenis FF-nya)
JK-FF
berbeda dengan D-FF karena JK-FF masukan clock adalah masukan yang di cacah dan
masukan J dan K adalah masukan yang mengendalikan FF itu.
2. Bagaimana
tutorial sebuah rangkaian RS flip-flop dan prosesnya?
Jawab:
Ini
adalah jenis multivibratorbistable, dengan dua status stabil.
Merevisi
perilaku transistor:
1. Ketika basis transistor terhubung ke
nol volt, itu terputus dan tegangan kolektornya naik ke tegangan suplai. Lihat
gambar merah untuk TR1, dan biru untuk TR2.
2. Ketika basis dihubungkan ke tegangan
suplai melalui resistor nilai rendah, transistor dihidupkan, dan menjadi jenuh.
Volt kolektornya turun ke nilai yang sangat rendah.
3. Lihat nilai biru untuk TR1 dan merah
untuk TR2.
4. Jika SET diambil rendah (nol volt) maka
TR1 dimatikan, dan tegangan kolektornya menyalakan TR2. Q tinggi dan batang Q
rendah.
5. Jika SET sekarang dilepaskan dari rel
volt nol, kedua transistor akan tetap dalam keadaan ini.
6. Untuk membuat status perubahan
flip-flop, RESET sekarang harus diturunkan.
7. Tr2 sekarang akan mati dan Tr1 hidup.
8. Q akan rendah dan Q bar tinggi.
9. Flip-flop akan berhenti dalam kondisi
ini sampai SET kembali rendah lagi.
10. Sirkuit ini dikenal sebagai SR
flip-flop.
1. Deskripsi
perangkat IC 74LS273 yaitu...
a. Flip Flop tipe Quad D dengan Clear
b. Flip Flop tipe D ganda dengan Preset
dan Clear
c. Flip Flop tipe Octal D dengan Clear
d. Flip Flop tipe ganda HexD-type
e. Flip Flop dengan Master Reset
Jawaban:
c. Flip
Flop tipe Octal D dengan Clear
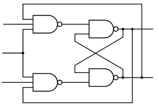
2. Gambar di bawah merupakan flip-flop
bertipe...
a. SR flip-flop
b. JK flip-flop
c. D flip-flop
d. T flip-flop
e. S flip-flop
Jawaban:
B
Karena
keadaan undefined di SR flip flop, flip flop lain diperlukan dalam elektronik.
JK flip flop merupakan perbaikan dari SR flip flop dimana S = R = 1 tidak
menjadi masalah. Kondisi masukan J = K = 1, memberikan keluaran yang membalik
keadaan keluaran. Namun, hasilnya sama ketika seseorang menguji rangkaian
secara praktis.
Dengan
kata sederhana, Jika input data J dan K berbeda (yaitu tinggi dan rendah) maka
output Q mengambil nilai J pada clockedge berikutnya. Jika J dan K sama-sama
rendah maka tidak ada perubahan yang terjadi. Jika J dan K sama-sama tinggi di
tepi jam maka output akan beralih dari satu keadaan ke keadaan lainnya. JK Flip
Flop dapat berfungsi sebagai Set atau Reset Flip flop.
Video Simulasi klik disini
HTML
Datasheet Resistor
Datasheet Transistor
Datasheet Gerbang NAND
Datasheet Gerbang Inverter (NOT)
Datasheet LED
Datasheet Relay

































































Tidak ada komentar:
Posting Komentar